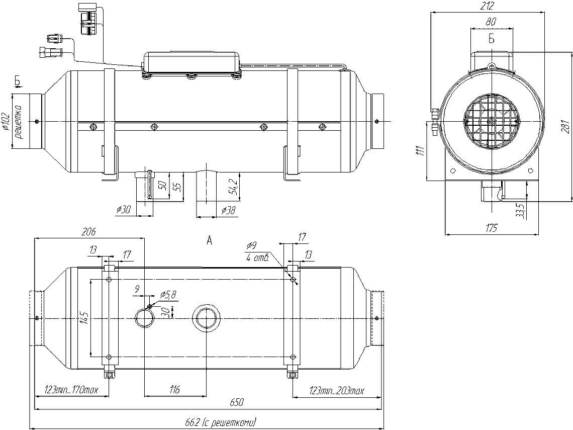
Отопитель воздушный ПЛАНАР- 9D - 12/24 (новинка)
- Планар - 9D - 12/24 руководство по эксплуатации (1.33 Мб) (Добавлен 18.04.2018)
- Планар 9D каталог деталей и сборочных единиц (КДС) (804.92 Кб) (Добавлен 18.04.2018)
Воздушные отопители
и жидкостные подогреватели